产品概述:
ZN23-40.5型真空断路器为额定电压40.5kV,三相交流50Hz的户内高压开关设备的专用真空断路器,适用于工矿企业,变电站等输配电室,作控制和保护开关,尤其适用于冶金、电弧炼钢等需频繁操作的行业,作为控制和保护设备。
产品主要技术参数:
名称 | 单位 | 参数 | |||
额定电压 | kV | 40.5 | |||
额定电流 | A | 630/1000/1250 | 1250/1600 | 1250/1600/2000/2500 | 1600/2500/3150 |
额定短路开断电流 | kA | 20 | 25 | 31.5 | 40 |
额定短路关合电流 | kA | 50 | 63 | 80 | 100 |
额定动稳电流(峰值) | kA | 50 | 63 | 80 | 100 |
额定热稳定电流(有效值) | kA | 20 | 25 | 31.5 | 40 |
额定热稳定时间 | s | 4 | |||
额定短路开断电流开断次数 | 次 | 30(50) | |||
全开断时间CDI0电磁操动机构 | mS | <80 | |||
额定操作顺序 | 0.3 | ||||
一分钟工频耐压(有效值) | kV | 对地相间42,断口48 | |||
雷电冲击耐压 | kV | 对地相间75,断口85 | |||
机械寿命 | 次 | 10000 | |||
额定电容器组开断电流 | A | 630 | |||
储能电机额定功率 | W | 275 | |||
储能电动机额定电压 | V | AC/DC220.110 | |||
储能时间 | S | <15 | |||
合分闸电磁额定电压 | V | AC/DC 220/110 | |||
过流脱扣器额定电流 | A | 5 | |||
辅助开关额定电流 | A | 10 | |||
产品型号及含义:
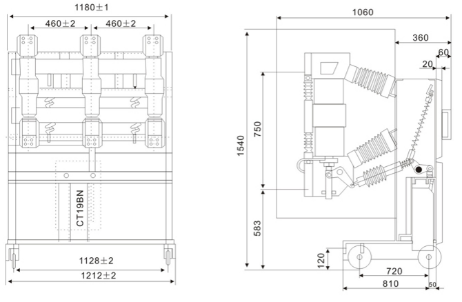
产品外形及安装尺寸:





